Pozovite za pomoć prilikom kupnje ili za informacije o proizvodima Više o pomoći
Bazenska tehnika » Rezervni dijelovi » Rezervni dijelovi za crpke » Rezervni dijelovi za crpke ASTRAL VICTORIA
 

Bazeni - oprema

Bazen vam jednostavno i mi kompletno opremimo!
Imamo više od 10 godina iskustva sa opremom i održavanjem bazena svih vrsta. Više o modelima bazena, načinima gradnje te mogućnosti različite opreme, pogledajte na web stranici.

Bazenske kupole

Potpuna zaštita za vaš bazen. Pomična kupola je također i najsigurniji način za spriječavanje nesretnih događaja radi bazena, pošto je kod zatvorene kupole u potpunosti onemogućen pristup bazenu maloj djeci ili domaćim životinjama.

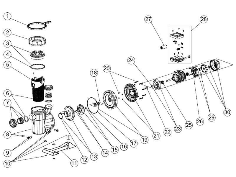
Rezervni dijelovi za crpke ASTRAL VICTORIA

Obtočna bazenska črpalka ViktorijaBazenske protočne crpke ASTRAL model VICTORIA.

Dobavljivi su večinom svi rezervni dijelovi za ovu crpku, pogledajte si shemu rezervnih dijelova.

Za više informacija o rezervnim dijelovima za ovu crpku nazovite nas na 052 463 136  ili nam pišite na info@bazenska-trgovina.hr


Priprema bazena za zimski period
Gradnja bazena - Nasveti za grdnjo bazena